CALL US ON: 0333 090 6919 OR 01579 363006 OR FOR A PDF DOWNLOAD PLEASE VISIT OUR SISTER SITE:

For a PDF Manual visit:  

Digiagrimanuals

For an Instant Download visit:   

PDF Vault

For an Instant Download visit:  

PDF Store

Massey Ferguson Construction Manuals

Massey Ferguson Tractor Tier 3 MF8450 MF8460 Parts Manual

Massey Ferguson Tractor Tier 3 MF8450 MF8460 Parts Manual

Stock Status: In Stock
Facebook
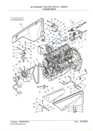
ILLUSTRATED PARTS MANUAL WITH EXPLODED DIAGRAMS SHOWING VARIOUS COMPONENTS

A REPRINT IN VERY GOOD CONDITION

CLICK ON THE IMAGE FOR AN ENLARGEMENT

Store Ref D-DS

  • Product Code:
    D-DS
  • Weight:
    1.5kg
product review overlay image

Customer reviews

No reviews left yet
Write A Review

No reviews have been left for this product, be the first to leave a review

Recently Viewed