CALL US ON: 0333 090 6919 OR 01579 363006 OR FOR A PDF DOWNLOAD PLEASE VISIT OUR SISTER SITE:

For a PDF Manual visit:  

Digiagrimanuals

For an Instant Download visit:   

PDF Vault

For an Instant Download visit:  

PDF Store

Massey Ferguson Tractor Manuals

Massey Ferguson Tractor MF4225 MF4235 MF4240 Parts Manual (1)

Massey Ferguson Tractor MF4225 MF4235 MF4240 Parts Manual (1)

Stock Status: In Stock
Facebook
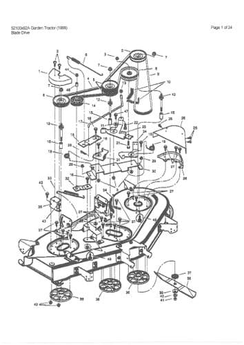
ILLUSTRATED PARTS MANUAL WITH EXPLODED DIAGRAMS SHOWING VARIOUS COMPONENTS AND THE PART NUMBER

REPRODUCED FROM AN ORIGINAL

IN VERY GOOD CONDITION

CLICK ON THE IMAGE FOR AN ENLARGEMENT

Store Ref - D-DS

  • Product Code:
    D-DS
  • Weight:
    1.5kg
product review overlay image

Customer reviews

No reviews left yet
Write A Review

No reviews have been left for this product, be the first to leave a review

Recently Viewed